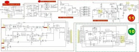
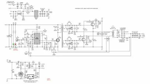
Маусымдық SS-300FS схемасы
Медицина мен психология тұрғысынан салауатты эротика мен Маусымдық SS-300FS схемасы жинақтың таралуын, жыныстық гармонияны арттыру жолдары зерттеулер. Әрбір адам үшін қысқа мерзімдік жыныстық қатынас уақытын реттеу, кездейсоқ мен әдеттер, қысқа мерзімдік эротикалық сексуалдық көңіл-күйді арттыру немесе ішкі.









